Магазин запчастей для бытовой техники - Arlos
Москва
close
Выберите ваш регион
АбаканАлександровАльметьевскАнгарскАрзамасАрмавирАртемАрхангельскАстраханьАчинскБалаковоБалашихаБеларусьБелгородБердскБерезникиБийскБлаговещенскБратскБрянскВеликий НовгородВидноеВладивостокВладикавказВладимирВолгоградВолгодонскВолжскийВологдаВолховВоркутаВоронежВоскресенскВыборгГатчинаГеленджикГрозныйДедовскДербентДзержинскДзержинскийДимитровградДмитровДолгопрудныйДомодедовоДонецкЕвпаторияЕгорьевскЕкатеринбургЕлецЕссентукиЖелезногорскЖелезнодорожныйЖуковскийЗеленоградЗлатоустИвановоИвантеевкаИжевскИркутскИстраЙошкар-ОлаКазаньКалининградКалугаКаменск-УральскийКамышинКаспийскКемеровоКерчьКировКисловодскКлинКовровКоломнаКомсомольск-на-АмуреКопейскКоролёвКостромаКотельникиКрасногорскКраснодарКраснознаменскКрасноярскКурганКурскКызылЛенинск-КузнецкийЛипецкЛобняЛыткариноЛюберцыМагнитогорскМайкопМалаховкаМахачкалаМиассМоскваМурманскМуромМытищиНабережные ЧелныНазраньНальчикНаро-ФоминскНахабиноНаходкаНевинномысскНефтекамскНефтеюганскНижневартовскНижнекамскНижний НовгородНижний ТагилНовокузнецкНовокуйбышевскНовомосковскНовороссийскНовосибирскНовоуральскНовочебоксарскНовочеркасскНовошахтинскНовый УренгойНогинскНорильскНоябрьскОбнинскОдинцовоОктябрьскийОмскОрелОренбургОрехово-ЗуевоОрскПавловский ПосадПензаПервоуральскПермьПетрозаводскПетропавловск-КамчатскийПодольскПрокопьевскПсковПушкиноПятигорскРаменскоеРеутовРостов-на-ДонуРубцовскРыбинскРязаньСакиСалаватСамараСанкт-ПетербургСаранскСаратовСевастопольСеверодвинскСеверскСергиев ПосадСерпуховСимферопольСмоленскСосновый БорСочиСтавропольСтарый ОсколСтерлитамакСтупиноСургутСызраньСыктывкарТаганрогТамбовТверьТихвинТольяттиТомилиноТомскТроицкТулаТюменьУлан-УдэУльяновскУссурийскУсть-ИлимскУфаУхтаФеодосияФрязиноХабаровскХанты-МансийскХасавюртХимкиЧебоксарыЧелябинскЧереповецЧеркесскЧеховЧитаШахтыЩелковоЭлектростальЭлистаЭнгельсЮжно-СахалинскЯкутскЯлтаЯрославль
  • - бесплатно по РФ
    Автоперезвон. Работает по принципу: Вы позвонили на номер, мы сбрасываем звонок и перезваниваем через 3 секунды.
  • - по Москве
  • 8 (925) 663-83-63

Call-центр

пн-вс: 10:00-19:00

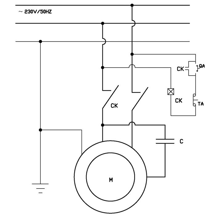
Электроплиткорез ЭП-200-1000С

Данная модель имеет несколько схем

NАртикулНазваниеСрок отгрузкиЦенаКупить
U009-600-2RS Подшипник шариковый 6002-2RS (32x15x9) CCEB U009-600-2RS 404 р.
1 N000-022-003 Стойка левая
2 N000-022-004 Гайка M8
3 N000-022-005 Гайка M6
4 N000-022-006 Шайба
5 N000-022-007 Винт-барашек M6х15
6 N000-022-008 Винт M6х14х10
7 N000-022-009 Шайба
8 N000-022-010 Винт M6х16х10
9 N000-022-011 Шайба упругая
10 V000-003-284 Выключатель электромагнитный V000-003-284 для ЗЭП-1100С, ЭП-200-1000Н, СП-620 490 р.
10 N000-022-012 Шайба
11 N000-022-013 гайка регулировочная
12 N000-022-014 Каретка
13 N000-022-015 Шайба
14 N000-022-016 Шайба пружинная
15 N000-022-017 Винт M8
16 N000-022-018 Шайба D22хd8х2
17 N000-022-019 Винт-барашек M8
18 N000-022-020 Винт M5х10
19 N000-022-021 Кронштейн
20 N000-022-022 Шайба D18хd6
21 N000-022-023 Шайба D6 пружинная
22 N000-022-024 Винт M6х35
23 N000-022-025 Рукоятка
24 N000-022-026 Ручка
26 N000-022-027 Упор
27 N000-022-028 Гайка M6
28 N000-022-029 Шпилька M6х12
29 N000-022-030 Винт M5х10
30 N000-022-031 Шайба пружинная D5
31 N000-022-032 Шайба D5
32 N000-022-033 Пластина фиксирующая
33 N000-022-034 Ось M8х201
34 N000-022-035 Гайка M6
35 N000-022-036 Пробка резиновая
36 N000-022-037 Шайба
37 N000-022-038 Винт M6х14
38 N000-022-039 Кожух диска
39 N000-022-040 Гайка M4
40 N000-022-041 Диск 250x25.4x2.4mm
41 U009-370-015 Фланец внешний D65x25.4 190 р.
42 N000-022-042 Гайка M12
43 N000-022-043 Шайба
44 N000-022-044 Шайба упругая
45 N000-022-045 Винт M5х10х12 15 р.
46 N000-022-046 Крышка кожуха 300 р.
47 N000-021-931 Ключ гаечный 98 р.
48 N000-022-047 Ключ гаечный
49 N000-022-049 Шайба упругая
50 U009-150-019 Фланец внутренний D65x25.4 195 р.
51 N000-022-050 Кольцо водоотбивное
52 N000-022-051 Винт M5х10х12
53 N000-022-052 Шайба упругая
54 N000-022-053 Шайба
55 N000-022-054 Винт M6х12
56.1 N000-022-055 Брызговик
56.2 N000-022-055-2 Брызговик передний
57 N000-022-056 Пластина
58 N000-022-057 Гайка-барашек M6
59 N000-022-058 Винт
60.1 N000-022-059 Статор АДС 6.147 р.
60.2 N000-022-443 Ротор АД 1.714 р.
60.3 U009-630-3RS Подшипник шариковый 6303-2RS (47х17х14) K&U 383 р.
60.4 N000-021-922 Сальник D30xd17x5 104 р.
61 N000-022-060 Винт-барашек M6х35
62 N000-022-061 Стойка правая
63 N000-022-062 Указатель
64 N000-022-063 Гайка M6
65 N000-022-064 Винт M5х8
66 N000-022-065 Ручка блокировки
67 N000-022-066 Транспортир
68 N000-022-067 Кронштейн
69 N000-022-068 Винт-барашек
70 N000-022-069 Направляющая
71 N000-022-070 Винт M5х10
72 N000-022-071 Опора направляющей
73 N000-022-072 Фиксатор направляющей
74 N000-022-073 Винт M5х14
75 N000-022-074 Винт M6х16х10
76 N000-022-075 Шайба
77 N000-022-076 Пластина
78 N000-022-077 Контргайка
79 N000-022-078 Поверхность рабочая 1 2.905 р.
80 N000-022-079 Поверхность рабочая 2 2.905 р.
81 N000-022-080 Поддон-основание 7.754 р.
82 N000-022-081 Шайба D10
83 N000-022-082 Винт-барашек M6х18
84 N000-022-083 Винт M8х16
85 N000-022-084 Ножка 1
86 N000-022-085 Гайка M6
87 N000-022-086 Колесо
88 N000-022-087 Ось
89 N000-022-088 Винт M6х52
90 N000-022-089 Кронштейн
91 N000-022-090 Шайба
92 N000-022-091 Шайба упругая
93 N000-022-092 Гайка
94 N000-022-093 Поверхность рабочая вспомогательная
95 N000-022-094 Ручка вспомогательной рабочей поверхности
96 N000-022-095 Ножка резиновая 1
97 N000-022-096 Ножка резиновая 2
98 N000-022-097 Ножка 2
99 N000-022-098 Гайка
100 N000-022-099 Винт
101 N000-022-100 Уплотнение
103 N000-022-101 Коробка выключателя
104 N000-022-102 Винт ST2.9х10
105 N000-022-103 Хомут конденсатора
106 V000-007-544 Конденсатор 25мкФ 450В 406 р.
107 V000-006-346 Шнур сетевой H05RN-F Rubber 3Gх1.0мм2 3м
108 N000-022-105 Саморез ST3.5х20
109 N000-022-106 Крышка
110 N000-022-107 Прокладка
111 N000-022-108 Винт M5х10х12
112 N000-022-109 Ввод кабельный
113 N000-022-110 Профиль направляющий V1 L1200 1.067 р.
113 N000-022-110-2 Профиль направляющий V2 L1200 5.020 р.
114 N000-022-111 Кабель-канал гибкий (30 звеньев) 1.281 р.
115 N000-022-112 Шланг 97 р.
116 V000-001-020 Насос СОЖ в сборе 8Вт 220В 1.819 р.
117 N000-022-114 Направляющая
118 N000-022-115 Цепочка
119 N000-022-116 Винт ST3.5х16
120 N000-022-117 Клемник
121 N000-022-118 Шланг сливной
123 N000-031-093 Ограничитель длины реза
124 N000-031-094 Винт барашек M6
125 N000-031-043 Указатель 160 р.
128 N000-031-044 Пружина 143 р.
129 N000-031-046 Тройник СОЖ 101 р.
131 N000-031-045 Трубка СОЖ 2 611 р.
132 N000-031-047 Трубка СОЖ 1 101 р.
133 N000-031-048 Шайба D3
134 N000-031-049 Винт наружный (без отверстия)
135 N000-031-050 Винт наружный (с отверстием)
141 N000-031-051 Фитинг 192 р.
142 N000-031-052 Винт M8 самоблокирующийся
143 N000-031-053 Шайба ограничительная
144 N000-031-054 Вал
145 N000-031-055 Пластина прижимная
147 N000-031-056 Винт ограничительный
148 N000-031-057 Направляющая
149 N000-031-058 Пластина прижимная
151 N000-031-059 Пружина сжатия
152 N000-031-060 Пластина
156 N000-031-061 Ограничитель 45°
157 N000-031-062 Заглушка
158 N000-031-063 Пластина прижимная
159 N000-031-064 Рукоятка
Найдено товаров: 150
1
▲ Наверх
0
8 (925) 663-83-63

Call-центр

пн-вс: 10:00-19:00

НАЙТИ ПО МОДЕЛИ
Введите номер заказа
Введите номер своего заказа, что бы узнать его текущий статус.
Что бы получить доступ к расширенным функциям, пройдите не сложную регистрацию. Зарегистрироваться